為激發員工學習熱情,進一步提高員工的技能水平和綜合素質,推動全院職工形成立足崗位學習、鉆研技術、創優爭先的良好風氣,工程院于2017年9月11-27日舉辦崗位大比武活動。本次比武活動經各部門前期準備,篩選涵蓋各部門技術領域共21個參賽項目,分初賽、復賽進行。
9月11日上午,工程院崗位大比武初賽在第四開發部的積極配合下拉開序幕!第一個比賽項目:“動力總成工裝方案設計與制圖”,在第四開發部相關專家配合下于性能二“兩驅動力總成試驗室”成功舉辦,賽事回顧如下:

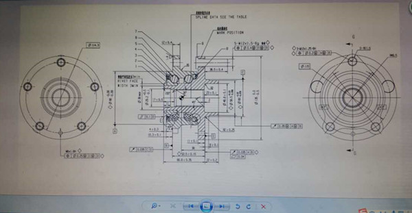
被試件原圖

比賽現場

專家現場督導
本次動力總成工裝方案設計與制圖比武,為工程院崗位大比武活動打開了良好的開端,通過比武活動充分展現工程院人蓬勃向上的精神狀態,也詮釋了在工程院每一名員工都能找到屬于自己的成長平臺的企業文化。希望通過本次活動將崗位比武與實際工作有機結合,做到兩不誤、兩促進,促使比武活動常態化。
