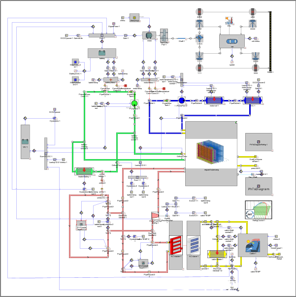
近日,中汽中心工程院熱管理開發團隊上線了新能源汽車高低溫能量管理仿真平臺。此平臺可以開展整車能量管理與熱管理系統集成設計、匹配優化,整車能量流分布、能耗及續駛里程預測及優化,整車熱管理與能量管理控制策略的開發。

圖-整車高低溫能量管理仿真平臺
近年來,新能源汽車的開發和銷售正在加速,據BloombergNEF分析師團隊發布的預測,2022年全球新能源汽車銷量將突破1000萬輛。目前,大眾的注意力正轉移到其他仍可能延緩新能源汽車普及的領域,包括解決充電基礎設施、持續提升電動續航里程與電池安全性能等諸多方面。其中,由于新能源汽車能量使用的特性,導致冬季的行駛距離大大縮短 ,熱管理成為提升續航里程備受關注的領域。

圖-由BloombergNEF分析師團隊給出的銷量預測情況
中汽中心工程院熱管理開發團隊聚焦“新能源汽車能量流測試與優化技術”,業已具備較為完整的技術服務能力。依托環境風洞、環境倉等先進設備,可在高低溫工況下對整車能量流進行測試,獲取分布情況后再基于能量流數據庫開展對比分析,甄別出高耗能的部件或系統,揭示其影響因素及機理,進而提出能量管理系統架構、零部件及總成、控制策略等優化方案,提升新能源汽車高低溫續航里程。
此次上線的新能源汽車高低溫能量管理仿真平臺,可在新能源汽車整車開發的概念階段、詳細設計階段、設計驗證等階段介入,以實現新能源汽車動力性、經濟性、熱舒適性、熱安全性等多屬性平衡以及高低溫續航里程提升等正面效果。

圖-新能源汽車整車能耗測試
中汽中心工程院熱管理開發團隊將始終致力于新能源汽車能量管理開發工程咨詢,持續為客戶提供優質服務。
